Description
The Gooseneck Pedestal with Card Reader Mount (Hood Style) from TURNSTILES.us is a durable, professional mounting solution designed for access control devices at gates, turnstiles, and secured entry points. Suitable for both vehicle and pedestrian use, this pedestal provides a stable platform for card readers, intercoms, and other access hardware. Its 42-inch mounting height and ergonomic gooseneck are optimized for typical vehicle window reach and for pedestrian applications.
This product is part of a configurable pedestal system, allowing you to select from multiple post styles, mounting options, and finishes to match your project requirements. Standard configurations include a hood-style mounting cover to help protect installed devices from environmental exposure. An optional enclosure box style is available for applications requiring additional internal space for components. Finish options include stainless steel or powder-coated steel. The mounting plate includes knockouts for device installation, with wiring routed internally through the post for a clean and secure installation.
Custom heights, mounting patterns, and configurations are available to meet specific project needs. Ideal for parking facilities, gated entries, commercial buildings, and industrial sites, this pedestal is built for long-term durability and reliable field performance.
Access control devices sold separately.
Documentation
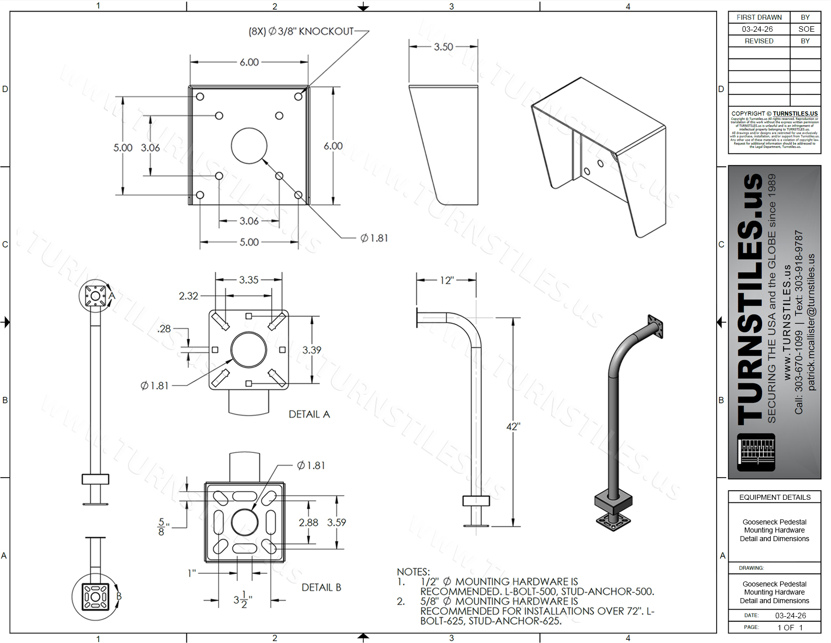
Dimensions – Gooseneck Pedestal with Mounting Hood (Standard)
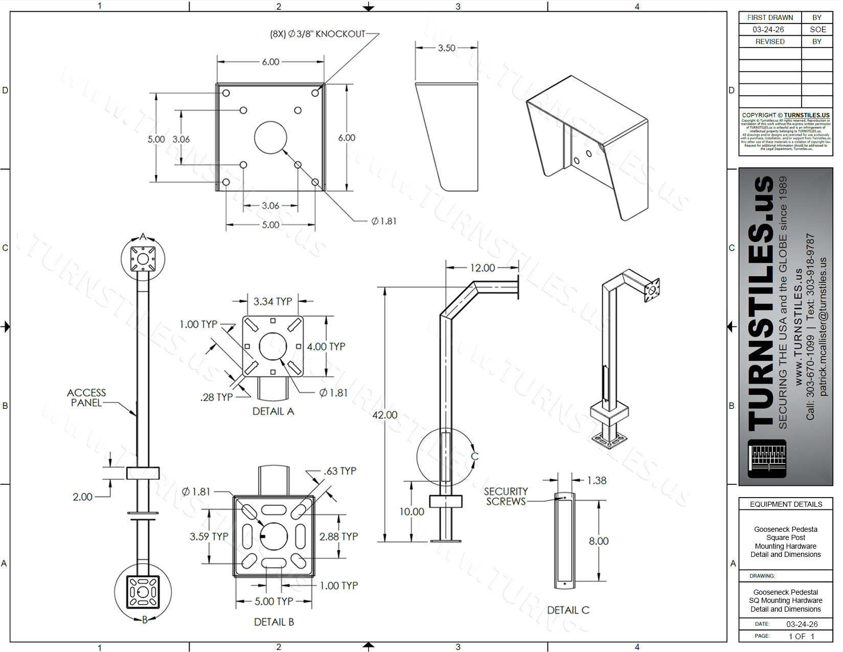
Dimensions – Gooseneck Pedestal with Mounting Hood (Square Post)
Dimensions – Gooseneck Pedestal with Mounting Enclosure Box (Square Post)
Key Features
- Heavy-duty construction for long-term durability
- Rust-resistant design for indoor and outdoor environments
- Universal height suitable for vehicles and pedestrian access
- Gooseneck design for ergonomic device positioning
- Compatible with card readers, intercoms, and access devices
- Pad mount base for secure installation on concrete or surfaces
- Available in multiple configurations (post style, mount type, finish)
- NDAA, Buy American, and USMCA/CUSMA compliant
Configuration Options
- Post Type: Round (standard) or Square (architectural)
- Mounting Style: Hood or Box Enclosure
- Finish:
Brushed stainless steel
Black powder coat
Optional Accessories available upon request:
- Mounting hardware kits
- Extension necks for height adjustment
- Buffer plates and shim kits
- Custom faceplate or baseplate modifications
- Powder coating in any RAL# Color
Installation Methods
There are multiple options for installing the pedestal, depending on your site conditions.
For installation on existing concrete, we recommend using wedge anchors.
If you are pouring new concrete, you may use L-bolts or core-mount the pedestal directly into the concrete. Core mounting does not require a hardware kit but does require a properly sized sono-tube and appropriate concrete materials.
For convenience, we offer optional hardware kits that include standard anchor components based on the installation method.
Applications
- Vehicle gate access control
- Parking facilities and garages
- Turnstile entry systems
- Guard stations and secured perimeters
- Commercial and industrial access points
*Note: Components may vary slightly in appearance depending on manufacturer availability while maintaining the same dimensions and function. Devices such as card readers, intercoms, and keypads are sold separately.
















